Différents types d’eau pure de laboratoire et leur production
Tableau comparatif des types d’eau
| Type d’eau | Résistivité | Conductivité | TOC | Utilisations principales |
| Eau déminéralisée | Variable (souvent <0,5 MΩ·cm) | > 2 à 30 µS/cm | Non contrôlé | Nettoyage industriel, remplissage de batteries, circuits de refroidissement |
| Eau Type 3 | ≥ 0,05 à 0,5 MΩ·cm | ≤ 20 µS/cm | < 200 ppb | Rinçage, autoclave, alimentation en eau pour systèmes Type 2/1 |
| Eau Type 2 | ≥ 1 MΩ·cm | ≤ 1 µS/cm | < 50 ppb | Tampons, culture microbienne, alimentation systèmes Type 1 |
| Eau Type 1 | 18,2 MΩ·cm | 0,055 µS/cm | < 5 ppb | HPLC, biologie moléculaire, culture cellulaire, analyses de traces |
Schéma global de la chaîne de purification
Étapes de purification selon le type d’eau
Type 3 – Eau osmosée (eau technique)
- Principe : Osmose inverse (RO)
- Étapes :
- Filtration mécanique : élimination des particules (5-10 µm)
- Filtration au charbon actif : élimine le chlore et les composés organiques volatils (COV)
- Osmose inverse : membrane semi-perméable éliminant > 95 % des sels, particules, organiques
Utilisations
- Rinçage de verrerie
- Alimentation des autoclaves, laveurs
- Eau d’alimentation pour production des Types 2 et 1
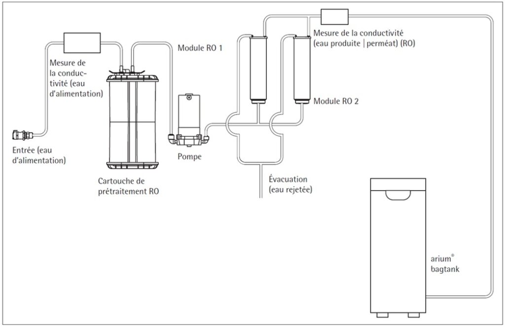
Eau de Type 3 : Osmose inverse
Schéma de la structure de l’appareil
Nous proposons des appareils de purification de Type III de la marque Sartorius.
Pour en savoir plus sur l’utilisation de l’eau de Type 3, n’hésitez pas à consulter nos actualités :
- notre actualité sur l’utilisation des différents types d’eaux
- celle sur le choix de l’appareil adéquat
Systèmes pour Eau Type III Osmose Inverse
Type 2 – Eau pure
- Principe : déminéralisation supplémentaire (après RO)
- Étapes :
- Eau osmosée (Type 3) comme base
- Déionisation par résines échangeuses d’ions (cationiques/anioniques)
- Ou électrodéionisation (EDI) : plus stable, continue, sans régénération chimique
- Filtration fine (< 1 µm) et contrôle bactérien
Utilisations
- Préparation de tampons
- Culture bactérienne
- Alimentation des instruments analytiques (spectroscopie, etc.)
- Alimentation d’un module de Type 1
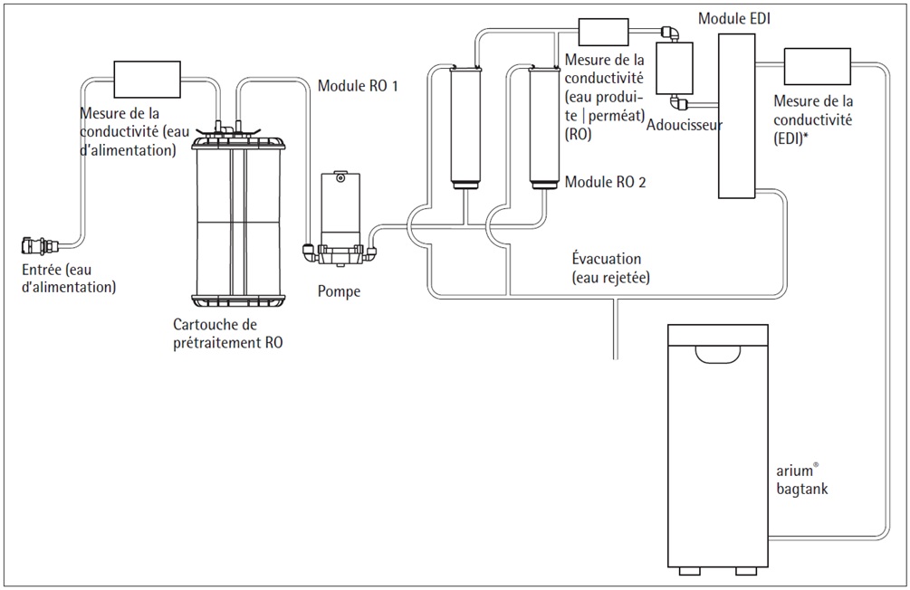
Eau de Type 2 : Déionisation
Schéma de la structure de l’appareil
Nous proposons aussi des appareils de la marque Sartorius qui permettent de faire de l’eau de Type II à partir d’eau du robinet.
Les appareils contiennent directement les modules permettant de faire de l’eau de Type III connecté directement au module permettant de faire de l’eau de Type II. Cependant, il n’est pas possible d’arrêter l’appareil à une étape avant la fin. Il ne produit que de l’eau de Type II.
Pour en savoir plus sur l’utilisation de l’eau de Type 2, n’hésitez pas à consulter nos actualités
- notre actualité sur l’utilisation des différents types d’eaux
- celle sur le choix de l’appareil adéquat
Systèmes pour Eau pure Type II
Type 1 – Eau ultrapure
- Principe : polissage de l’eau pure
- Étapes :
- Eau de Type 2 comme base
- Polissage par résines ultrapures pour atteindre 18,2 MΩ·cm
- Lampe UV 185/254 nm : dégradation du carbone organique (TOC)
- Ultrafiltration : élimine les pyrogènes, nucléases
- Filtration stérile finale : 0,2 µm ou ultrafiltration pour usage biologique
Utilisations
- HPLC, GC, spectroscopie de masse
- Culture cellulaire, PCR, biologie moléculaire
- Électrophorèse, western blot
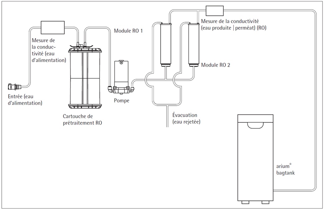
Eau de Type 1 : Polissage final
Schéma de la structure de l’appareil
L’avantage des appareils Sartorius que nous proposons sont qu’il est possible de récupérer l’eau de Type III avant qu’elle soit transformer en Type II et Type I. Il est possible d’avoir de l’eau pure de Type III et ultrapure de Type I.
Pour en savoir plus sur l’utilisation de l’eau de Type 1, n’hésitez pas à consulter nos actualités
- notre actualité sur l’utilisation des différents types d’eaux
- celle sur le choix de l’appareil adéquat
Systèmes pour Eau ultrapure Type I
Les systèmes d’échanges d’ions
- Principe :
- Elimination des ions dans une eau, reste tous les atomes et molécules non-chargés
- Une des étapes pour produire de l’eau de Type 2 (aussi appelée adoucissement)
- Protège et/ou réduit la formation de calcaire
- Chaque résine (positive ou négative) élimine les ions chargés positivement ou négativement, une seule résine ne peut pas éliminer les 2 Types d’ions
- Étapes :
- Eau de du robinet ou de Type 3
- Elimination des ions grâce à une résine échangeuse d’ion
Utilisations
- Solvant
- Nettoyage de verrerie
Échangeurs d’ions
Échangeurs d’ions
En résumé
| Type | Origine | Technologies clés |
| Eau Type III | Eau du robinet | Filtration, Charbon actif, Osmose inverse |
| Eau Type II | Eau Type 3 | Déionisation (Résines ou EDI) |
| Eau Type I | Eau Type 2 | Polissage (Résines ultrapures, UV, UF, Filtre 0,2 µm) |
| Eau déminéralisée | Eau du robinet | Échange d’ions |
Conclusion
Le choix de votre appareil de purification va dépendre du type d’eau dont vous allez avoir besoin. Pour identifier plus facilement le type d’eau dont vous avez besoin, n’hésitez pas à consulter notre actualité ou à nous contacter.



















